Descriere
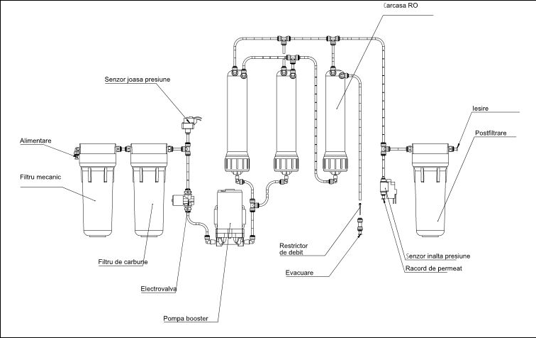
Este un filtru de apa cu osmoza inversa cu trei membrane osmotice in sistem direct flow -cu debit direct, fara vas de stocare, cu pompa Booster si cadru metalic, de mare capacitate. Poate livra până la 60 litri/oră de apă filtrată prin osmoză inversă.
Functioneaza si cu apa la presiune joasa, datorita sistemului cu pompa de presiune.
Acest sistem de filtrare cu Osmoza Inversa contine trei membrane osmotice , ce asigura filtrarea unei cantitati mari de apa de circca 40-60 litri/ora pentru apa de baut si de consum comercial.
Sistemul livreaza apa pentru cafenele, restaurante, sedii de firme, apartamente si case particulare.
Filtrele de apa purificatoare cu osmoza inversa Ecosoft sunt din ce in ce mai des folosite, datoritacalitatii deosebite, a raportului cost/ performanta EXCELENT si a usurintei in exploatare.
• Cartus prefiltrare din polipropilena (PP) de 5 microni care elimina sedimentele mari precum nisipul, pamantul si rugina si a altor impuritati care apar deseori datorita depunerilor de pe instalatiile vechi de apa.
• Cartus din carbune activ bloc (CTO) care elimina clorul, derivatii acestuia si alti compusi chimici nocivi pentru organism.
•3 Membrane de osmoza inversa de 100 GPD cu finete de filtrare de 0.0001 microni.
• Cartus postfiltrare din carbune granular (GAC) pentru imbunatatirea gustului apei.
Avantajele majore ale sistemului Ecosoft ROBUST MINI 1000:
- Membrane de osmoza din foaie Dow Filmtec ™ (USA), cu licenta si cu eficienta de filtrare de 99.8%
- Design original si compact care se incadreaza foarte bine in orice local
- functionare cu sau fara bazin de stocare a apei filtrate
- pompa de presiune de mare putere inclusa
- racord de alimentare, robinet si furtune inclus
Dimensiuni filtru Ecosoft ROBUST MINI 1000
L x l x H: 410 x 195 x 485 mm
| Filtru de apa cu osmoza inversa RO Ecosoft Robust Mini 1000 Sistemul include un set complet de cartuse. |







Mihai –
Produs impresionant! Își respectă promisiunile și a avut un impact pozitiv asupra rutinei mele zilnice. Foarte multumit de achizitie.